- 型番詳細
square_foot mm
ダウンロード
パラメータ
2D図面
このロゴはToolsUnitedによってパラメータから自動生成された3Dモデル<ISO13399準拠>であることを表しています。
https://info.toolsunited.com/ja/
https://info.toolsunited.com/ja/
第1推奨被削材
第2推奨被削材
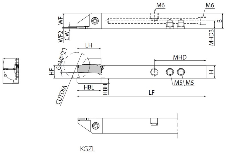
寸法
| 勝手 | L |
|---|---|
| H | 10 mm |
| HF | 10 mm |
| B | 12 mm |
| LF | 100 mm |
| LH | 18.7 mm |
| WF | 11.2 mm |
| CDX | 12 mm |
| MHD | - |
| 最小溝幅 | - |
| 最大溝幅 | - |
| クーラントホール | - |
在庫
| 在庫(JA) | あり |
|---|